Kevin_EK
| Szerokość przez mieszkania dla orzechów sześciokątnych i korzystanie z krajów | ||
| Szerokość | 21 | Wielka Brytania i Wspólnota Narodów |
| Szerokość | 22 | USA, Niemcy i niektóre kraje Euroupean |
| Szerokość | 23 | Australia |
| Szerokość | 19 | Japonia, Korea Południowa i niektóre kraje Azji Południowo -Wschodniej |
|
| Bolt Dia. | Szerokość przez mieszkania | Wysokość | Szerokość przez mieszkania | Wysokość | Szerokość przez mieszkania | Wysokość |
| Sześciokąta | 1/2 ' | S21 | H11 | S22 | H11 | S23 | H11 |
| Sześciokąta |
| SF21 | H14 | SF22 | H14 | SF23 | H14 |
| Sześciokąta |
| SF21 | H19 | SF22 | H19 | SF23 | H119 |
| Sześciokąta |
| S21 | H15 |
|
|
|
|
| Sześciokąta | M14 | S22 | H11 | S23 | H11 |
|
|
| Sześciokąta |
| SF22 | H14 | SF23 | H14 |
|
|
| Sześciokąta |
| SF22 | H19 | SF23 | H119 |
|
|
| Sześciokąta | M12 | SF19 | H9 |
|
|
|
|
| Nutę skrzydła | 1/2 |
|
|
|
|
|
|
|
| Dia. | Długość efektywna / długość śruby | Używać |
|
T-bolt | 1/2 | 75-88 | Wielka Brytania i Wspólnota Narodów |
| M14 | 75-87 | USA, Niemcy i niektóre kraje Euroupean | |
| M14 | 98-110 | USA, Niemcy i niektóre kraje Euroupean | |
|
Bolt oczu | 1/2 | 67-86 | Wielka Brytania i Wspólnota Narodów |
| M12 | 57-73 | Wielka Brytania i Wspólnota Narodów | |
| M14 | 70-90 | USA, Niemcy i niektóre kraje Euroupean | |
| Rozdzielająca śruba końcowa | 1/2 | 45-82 | Dla Putlog Coupler, BRC itp. |
|
Śruba powozu |
1/2 | 116-125 |
W przypadku zewnętrznego zacisku rurowego, uniwersalnego zacisku itp. |
| 85-92 | |||
| Heksagon Bolt | M16 | 72-80 | W przypadku łącznika dźwigara, połączenie DF |
| Płaski T-Bolt | 1/2 | 66-76 | Dla włoskich łączników |
|
| Grubość | Wewnętrzna / zewnętrzna średnica. |
|
Pralka | 3.5 | 13-26 |
| 5 | 13-26 |
| Podwójnie | Łącznik obrotowy | ||
| 48,3*34 | 48,3*34 | 34*34 | 34*38 |
| 48,3*38 | 48,3*38 | 38*38 | 38*42 |
| 48,3*42 | 48,3*42 | 42*42 | 42*60 |
| 48,3*48,3 | 48,3*48,3 | - | - |
| 48,3*60 | 48,3*60 | 60*60 | 60*76 |
| 48,3*76 | 48,3*76 | 76*76 | 86*89 |
| - | 48,3*89 | 89*89 | - |
Podsumowanie wyników:
| NIE. | Przedmiot testowy | Metoda testowa |
| 1 | Siła poślizgowa | EN 74-1: 2005 |
| 2 | Siła awarii | EN 74-1: 2005 |
Wyniki testu:
| Klauzula testowa | Przedmiot testowy | Wymaganie testowe | Wynik testu | Wniosek |
|
7.2.1
|
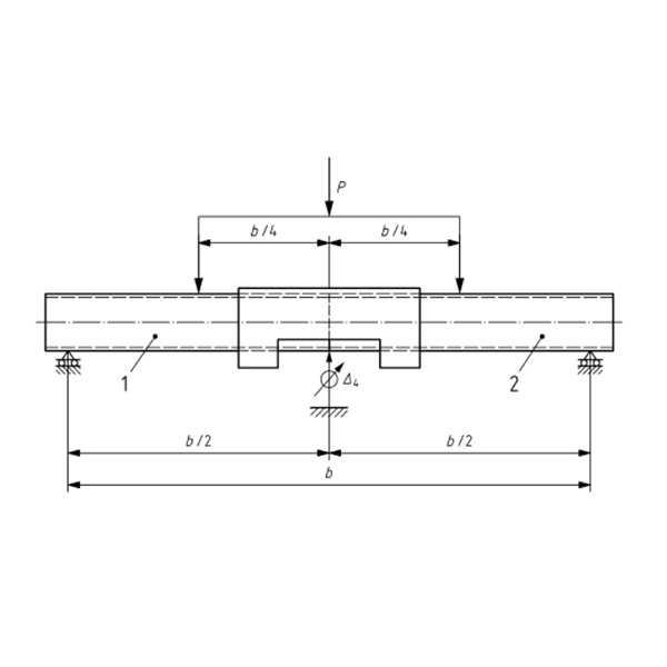
Siła poślizgowa | △ 1 ≤ 7 mm, FS, 5%≥10,0kni | △ 1 = 7 mm, FS, 5%= 15,88 kN |
Przechodzić
|
| 1 mm ≤ △ 2 ≤2 mm, FS, 5% ≥15,0kni | 1 mm ≤ △ 2 ≤2 mm, FS, 5%= 15,91 KN | |||
| 7.2.2 | Siła awarii | FF, 5%/γR2 ≥30,0kN | FF, 5%/γR2 = 50,63KN | Przechodzić |
W normalnych okolicznościach trudno jest osiągnąć klasę B, ale dotarliśmy
Podsumowanie wyników:
| NIE. | Przedmiot testowy | Metoda testowa |
| 1 | Siła poślizgowa | EN 74-1: 2005 |
| 2 | Siła awarii | EN 74-1: 2005 |
Wyniki testu:
| Klauzula testowa | Przedmiot testowy | Wymaganie testowe (Łącznik obrotowy, klasa B) | Wynik testu | Wniosek |
|
7.2.1
|
Siła poślizgowa
| △ 1 ≤ 7 mm, FS, 5%≥10,0kni | △ 1 ≤ 7 mm, FS, 5%= 10,6 kN |
Przechodzić
|
| 1 mm ≤ △ 2 ≤2 mm, FS, 5% ≥15,0kni | FS = 30 KN, △ 2˂1 mm | |||
| 7.2.2 | Siła awarii | FF, 5%/γR2 ≥20,0kN | FF, 5%/γR2 = 24,4 KN | Przechodzić |
Podsumowanie wyników:
| NIE. | Przedmiot testowy | Metoda testowa |
| 1 | Odporność na zginanie | EN 74-1: 2005 klauzula 7.4.3 |
| 2 | Siła poślizgowa | EN 74-1: 2005 klauzula 7.2.1 |
Wyniki testu:
| Przedmiot testowy | Wynik testu | Wymaganie testowe (Łącznik rękawy, klasa B) | Wniosek |
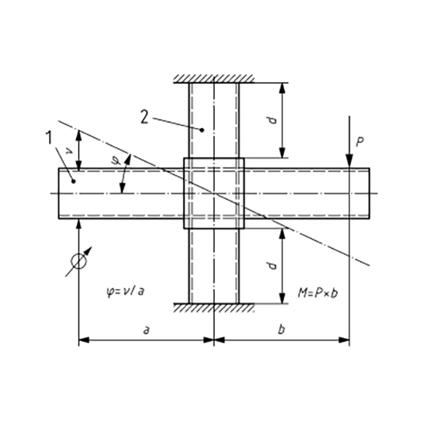
| Odporność na zginanie | △ 4= 5 mm, M B , 5% = 1,43 kNm | △ 4= 5 mm, M B , 5% ≥1,4 kNm | Przechodzić |
Podsumowanie wyników:
| NIE. | Przedmiot testowy | Metoda testowa |
| 1 | Opór poślizgnięcia się | BS 1139-2.2: 2009+A1: 2015 Klauzula 7 i załącznik A.2 |
Wyniki testu:
| Przedmiot testowy | Wynik testu | Wymaganie testowe | Wniosek |
| Opór poślizgnięcia się | 1 mm ≤ △ 2 ≤2 mm, FS, 5% = 1,83 KN | 1 mm ≤ △ 2 ≤2 mm, FS, 5% ≥1,04 KN | Przechodzić |
Podsumowanie wyników:
| NIE. | Przedmiot testowy | Metoda testowa |
| 1 | Test siłowy | AS/NZS 1576.2: 2016 Dodatek L |
| 2 | Test poślizgu wzdłuż rurki | AS/NZS 1576.2: 2016 Dodatek M |
| 3 | Test poślizgu wzdłuż rurki kołnierz | AS/NZS 1576.2: 2016 Dodatek n |
Wyniki testu:
| Klauzula testowa | Przedmiot testowy | Wymaganie testowe | Wynik testu | Wniosek |
| Dodatek l | Test siłowy | P = 30.0kn, żaden zacisk kołnierza nie wyświetla żadnego stałego zestawu | P = 30,0kn, żaden zacisk kołnierza nie wykazał żadnego stałego zestawu | Przechodzić |
| Dodatek m | Test poślizgu wzdłuż rurki | P = 12,5 kN, poślizg ≤ 6 mm | P = 12,5 KN, poślizg <6 mm | Przechodzić |
| Dodatek n | Test poślizgu wzdłuż rurki kołnierz | P = 12,5 kN, poślizg ≤ 6 mm | P = 12,5 KN, poślizg <6 mm | Przechodzić |
Podsumowanie wyników:
| NIE. | Przedmiot testowy | Metoda testowa |
| 1 | Siła awarii | W odniesieniu do EN 74-1: 2005 |
Wyniki testu:
| Przedmiot testowy | Wynik testu | |||||
| 1# | 3# | 3# | 4# | 5# | FP, 5%/γR2 | |
| Siła awarii (kN) | 42.84 | 38.89 | 43.60 | 42.91 | 40.79 | 29.8 |
| Pobierz |
|---|
Copyright © 2016 - 2022 EK Metalwork Co., Ltd. Wszelkie prawa zastrzeżone.
